دستگاه فیلتراسیون به کمک هوا سری 200 AHA FT200 AA DLP
| عنوان فارسی سری | عنوان انگلیسی سری |
|---|---|
| سری استاندارد مخصوص آب با شوری کم | FT200 AA DLP |
| سری مخصوص آب دریا و آب با شوری بالا | FT200 AA SW DLP |
در این پکیج ها از فیلترهای دیسکی 2 اینچ سوپر، ساخت آزود استفاده شده که هر المان فیلتر از مجموعه دیسک های شیاردار با سایز شیار مختلف از 5، 10، 20، 50، 100، 130، 200، 400 میکرون تشکیل شده که بروی هم بصورت فشرده شده، قرار گرفته اند و قابلیت فیلتر کردن ذرات جامد معلق تا سایز مش بندی دیسک ها را دارا می¬باشند. به ازای هر فیلتر یک عدد شیر سه راهه هیدرولیکی جهت شستشوی اتوماتیک دستگاه (بکواش) و یک فشارسنج روغنی (گلیسرین) “1/4 رزوه ای با دو مقیاس bar/psi (psi 0-145 / bar 0-10) و 1 عدد نصب شده بروی منیفولد خروجی و 1 عدد نصب شده بروی مخزن کمکی هوا موجود می¬باشد.
این سری در 2 مدل استاندارد و مخصوص آب دریا، طراحی و ساخته شده که با بهره گیری از سیستم خود شوینده به کمک هوا (Air assist) نقش بسزایی در صرفه جویی و جلوگیری از هدر رفت آب هنگام شستشوی فیلتر ایفا میکند و برای مکان های کم آب بسیار مناسب است این مدل ها با حروف AA در نام محصول مشخص شده است.
این پکیج ها از 1 الی 10 فیلتر قابل سفارش می باشند که سطح فیلتراسیون را به 16200 سانتی متر مربع و ماکزیمم دبی 210 متر مکعب در ساعت (برای 130 میکرون) میرساند.
مشخصات محصول
| نوع فیلتر | فیلتر دیسکی اتوماتیک هلیکس (سیستم خود شوینده) |
|---|---|
| تعداد فیلتر قابل سفارش در هر پکیج | 1 – 12 فیلتر 2 اینچ از جنس پلی آمید تقویت شده |
| محدوده TDS قابل تحمل | TDS > mg/l 6000 |
| فشار کاری | حداکثر: 10 بار ( 145psi ) حداقل: 0.8 بار ( 11.6psi ) |
| حداقل فشار مورد نیاز جهت شستشو | حداقل: 4.5 بار (65psi ), حداکثر: 6 بار ( 87psi ) |
| حداقل دبی مورد نیاز جهت شستشو | 10 لیترآب برای هر فیلتر |
| دبی هوای فشرده در مدت زمان | 18 لیتر بر ثانیه (285gpm ) x 10 ثانیه |
| محدوده PH قابل تحمل | 4 – 11 |
| دمای کاری | (℉140) ℃ 60 ≥ |
| درجه فیلتراسیون | 5 – 10 – 20 – 50 – 100 – 130 – 200 – 400 (میکرون) |
| نوع اتصالات | فلنج با استاندارد ANSI B16.5 – فلنج با استاندارد DIN 2576 – ویکتالیک |
سایر مشخصات
فرمان پنوماتیکی
1 عدد مخزن کمکی هوا برای مخلوط شدن با آب جهت شستشوی فیلتر
2 عدد شیر سه راهه دیافراگمی سایز 2 اینچ جهت شستشو برای هر فیلتر – فرمان پنوماتیکی
بدنه: پلی آمید تقویت شده – شفت: فولاد ضد زنگ SS 303 – جایگاه: فولاد ضد زنگ SS 304 – فنر: فولاد ضد زنگ SS 302
منیفولد ورودی و خروجی از جنس پلی اتیلن سنگین (HDPE) با قطرهای 2 الی 8 اینچ (50 – 200 میلیمتر) – فلنج / ویکتالیک (شیاردار)
منیفولد تخلیه پساب از جنس پلی اتیلن سنگین (HDPE) با قطر 3 اینچ (90 میلیمتر) – ویکتالیک (شیاردار) / پی وی سی (چسب)
دارای 2 عدد فشارسنج روغنی (گلیسرین) “1/4 رزوه ای با دو مقیاس bar/psi (psi 0-145 / bar 0-10) برای هر پکیج فیلتراسیون و 1 عدد نصب شده بروی مخزن کمکی هوا
برای مشاهده مشخصات فیلتر، به جدول مشخصات فنی سری HELIX AUTOMATIC FT DLP مراجعه فرمایید.
| مدل | تعداد فیلتر | سطح فیلتراسیون (cm2) | اتصالات ورودی / خروجی | حداکثر دبی برای 130 میکرون | حداکثر دبی برای 50 میکرون | ابعاد (mm) - طول – عرض – ارتفاع |
|---|---|---|---|---|---|---|
| FT201 AA | 1 فیلتر 2 اینچ | 1620 | 2 اینچ | 21 (92) | 14 (62) | 605 – 475 – 1065 |
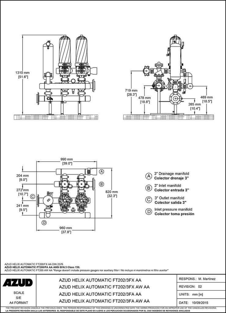
| FT202 AA | 2 فیلتر 2 اینچ | 3240 | 3 اینچ | 42 (185) | 28 (123) | 990 – 820 – 1310 |
| FT203 AA | 3 فیلتر 2 اینچ | 4860 | 3 اینچ 4 اینچ | 50 (220) 63 (277) | 42 (185) | 1220 – 820 – 1330 |
| FT204 AA | 4 فیلتر 2 اینچ | 6480 | 4 اینچ 6 اینچ | 80 (352) 84 (370) | 56 (247) | 1560 – 820 – 1380 |
| FT205 AA | 5 فیلتر 2 اینچ | 8100 | 4 اینچ 6 اینچ | 80 (352) 105 (462) | 70 (308) | 1835 – 820 – 1380 |
| FT206 AA | 6 فیلتر 2 اینچ | 9720 | 6 اینچ | 126 (555) | 84 (370) | 2110 – 820 – 1380 |
| FT207 AA | 7 فیلتر 2 اینچ | 11340 | 6 اینچ | 147 (647) | 98 (432) | 2385 – 820 – 1380 |
| FT208 AA | 8 فیلتر 2 اینچ | 12960 | 6 اینچ 8 اینچ | 160 (705) 168 (740) | 112 (493) | 2660 – 820 – 1420 |
| FT209 AA | 9 فیلتر 2 اینچ | 14580 | 6 اینچ 8 اینچ | 160 (705) 189 (832) | 126 (555) | 2980 – 820 – 1420 |
| FT210 AA | 10 فیلتر 2 اینچ | 16200 | 6 اینچ 8 اینچ | 160 (705) 210 (925) | 140 (616) | 3255 – 820 – 1420 |
- پکیج 1 فیلتر دارای کنترل یونیت FBC 101 AA می باشد.
- پکیج های 2 الی 10 فیلتر دارای کنترل یونیت FBC 110 AA می باشند.
- امکان تغییر مشخصات فنی بدون اطلاع قبلی از سوی سازنده محفوظ است.





















