دستگاه فیلتراسیون LUXON سری LXE مخصوص آب دریا AZUD LUXON LXE SW
| عنوان فارسی سری | عنوان انگلیسی سری | 
|---|
مشخصات محصول
| نوع فیلتر | فیلتر توری اتوماتیک (سیستم خود شوینده) | 
|---|---|
| محدوده TDS قابل تحمل | TDS: 6000 – 55000 mg/l | 
| فشار کاری | حداکثر: 10 بار ( 145psi ) حداقل: 0.8 بار ( 11.6psi ) | 
| حداقل فشار مورد نیاز جهت شستشو | 2 بار (29psi ) | 
| محدوده PH قابل تحمل | 5 – 9 | 
| دمای کاری | (℉140) ℃ 60 ≥ | 
| درجه فیلتراسیون | 50 – 80 – 100 – 125 – 200 – 300 – 500 – 1000 (میکرون) | 
| نوع اتصالات | فلنج با استاندارد ANSI B16.5, فلنج با استاندارد DIN 2576 | 
سایر مشخصات
نوع فرمان : فرمان موتور الکتریکی
محور : افقی
موقعیت اتصالات : اتصالات ورودی و خروجی نسبت به یکدیگر در حالت موازی
بدنه : فولاد کربنی با پوشش داخلی شیشه ای (پوشش داخلی لاستیکی به صورت آپشنال قابل سفارش می باشد) و پوشش خارجی اپوکسی – پلی استر. PN10
کارتریج : توری از جنس فولاد ضد زنگ سوپر داپلکس با قالب تقویت کننده از جنس فولاد ضد زنگ سوپر داپلکس (4 لایه)
دستگاه شستشو : موتور و گیربکس بهمراه اسکنر از جنس فولاد ضد زنگ سوپر داپلکس با نازل های مکنده از جنس پی وی سی یا فولاد ضد زنگ سوپر داپلکس
اتصالات ورودی و خروجی : فلنج با استاندارد های ANSI B16.5 یا DIN 2576 با قطرهای 3 الی 20 اینچ (90 -500 میلیمتر)
اتصالات شیر تخلیه پساب : شیر توپی دو راهه با اکچویتور برقی – لوله و اتصالات: رزوه ای با قطر لوله 2 اینچ (50 میلیمتر) از جنس پلی پروپیلن تقویت شده
شیر تخلیه هوا : شیر دو راهه دیافراگمی
فشار سنج : دارای 3 عدد فشارسنج روغنی (گلیسرین) “1.4 رزوه ای با دو مقیاس bar/psi (psi 0-145 / bar 0-10)
تابلوی کنترل : AZUD FBC
منبع برق مورد نیاز : 110 ولت تک فاز / 220 ولت تک فاز / 380 ولت سه فاز
| مدل | سطح فیلتراسیون (cm2) | اتصالات ورودی / خروجی | حداکثر دبی برای 125 میکرون | حداکثر دبی برای 80 میکرون | دبی آب مورد نیاز برای شستشو در مدت زمان | وزن دستگاه بدون آب (kg) | ابعاد (mm) - طول – عرض – ارتفاع | 
|---|---|---|---|---|---|---|---|
| توری از جنس فولاد ضد زنگ سوپر داپلکس همراه با قالب تقویت کننده از جنس فولاد ضد زنگ سوپر داپلکس | |||||||
| LXE 2700 S/3 SW LXE 2700 S/4 SW LXE 2700 S/6 SW | 2700 | 3 اینچ 4 اینچ 6 اینچ | 50 (220) 90 (396) 135 (594) | 50 (220) 81 (357) 81 (357) | 1.4 لیتر بر ثانیه (22 گالن بر دقیقه) در مدت 25 ثانیه | 260 | 1715 – 765 – 700 | 
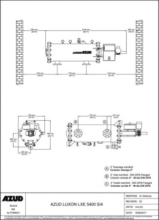
| LXE 5400 S/4 SW LXE 5400 S/6 SW LXE 5400 S/8 SW | 5400 | 4 اینچ 6 اینچ 8 اینچ | 90 (396) 170 (748) 270 (1189) | 90 (396) 162 (713) 162 (713) | 2.8 لیتر بر ثانیه (44 گالن بر دقیقه) در مدت 25 ثانیه | 310 | 2140 – 765 – 700 | 
| LXE 8000 S/6 SW LXE 8000 S/8 SW LXE 8000 S/10 SW LXE 8000 S/12 SW | 8000 | 6 اینچ 8 اینچ 10 اینچ 12 اینچ | 170 (749) 300 (1321) 400 (1761) 400 (1761) | 170 (749) 240 (1057) 240 (1057) 240 (1057) | 4.5 لیتر بر ثانیه (71 گالن بر دقیقه) در مدت 25 ثانیه | 400 | 2415 – 765 – 700 | 
| LXE 10600 S/8 SW LXE 10600 S/10 SW LXE 10600 S/12 SW LXE 10600 S/14 SW | 10600 | 8 اینچ 10 اینچ 12 اینچ 14 اینچ | 300 (1321) 500 (2202) 530 (2334) 530 (2334) | 300 (1321) 318 (1400) 318 (1400) 318 (1400) | 5.8 لیتر بر ثانیه (92 گالن بر دقیقه) در مدت 25 ثانیه | 450 | 2690 – 765 – 700 | 
| LXE 13200 S/8 SW LXE 13200 S/10 SW LXE 13200 S/12 SW LXE 13200 S/14 SW | 13200 | 8 اینچ 10 اینچ 12 اینچ 14 اینچ | 300 (1321) 500 (2202) 660 (2906) 660 (2906) | 300 (1321) 396 (1744) 396 (1744) 396 (1744) | 7.2 لیتر بر ثانیه (114 گالن بر دقیقه) در مدت 25 ثانیه | 500 | 2965 – 765 – 700 | 
| LXE 16500 S/8 SW LXE 16500 S/10 SW LXE 16500 S/12 SW LXE 16500 S/14 SW LXE 16500 S/16 SW | 16500 | 8 اینچ 10 اینچ 12 اینچ 14 اینچ 16 اینچ | 300 (1321) 500 (2202) 700 (3082) 825 (3633) 825 (3633) | 300 (1321) 495 (2180) 495 (2180) 495 (2180) 495 (2180) | 7.2 لیتر بر ثانیه (114 گالن بر دقیقه) در مدت 25 ثانیه | 700 | 2710 – 975 – 925 | 
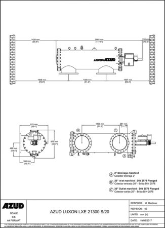
| LXE 21300 S/10 SW LXE 21300 S/12 SW LXE 21300 S/14 SW LXE 21300 S/16 SW LXE 21300 S/18 SW LXE 21300 S/20 SW | 21300 | 10 اینچ 12 اینچ 14 اینچ 16 اینچ 18 اینچ 20 اینچ | 500 (2202) 700 (3082) 850 (3743) 1065 (4690) 1065 (4690) 1065 (4690) | 500 (2202) 639 (2814) 639 (2814) 639 (2814) 639 (2814) 639 (2814) | 7.2 لیتر بر ثانیه (114 گالن بر دقیقه) در مدت 25 ثانیه | 800 | 2985 – 975 – 925 | 
- مقادیر دبی برای آب با کیفیت خوب ذکر شده است.
- امکان تغییر مشخصات فنی بدون اطلاع قبلی از سوی سازنده محفوظ است.
 
					
													 
			 
			 
			 
							
							
															
								 
							
							
															
								 
							
							
															
								 
							
							
															
								 
							
							
															
								 
							
							
															
								 
							
							
															
								 
							
							
															
								 
			
			 
			
			 
			
			 
  
  




















